| Item | Specification | |
|---|---|---|
| Rated load voltage | 24/12/5V DC 24V DC + 20 %, - 80 % |
|
| Minimum switching current | 1mA | |
| Leak current | 0.1mA (max) | |
| Maximum load current | 1 circuit | 0.75A / 24V DC 0.5A / 12V DC 0.25A / 5V DC |
| 1 common | 0.75 A | |
| Output response time | OFF → ON | 0.1 ms (max) 24V DC 0.2 A |
| ON → OFF | 0.1 ms (max) 24V DC 0.2 A | |
| Surge removing circuit | None | |
| Fuse | None | |
| Insulation system | Photocoupler insulation | |
| Output display | LED (green) | |
| Externally supplied power to V terminal |
30 to 16V DC | |
| Insulation | 1500V or more (external-internal) 500V or more (external-external) |
|
| Output voltage drop | 0.3V DC (max) | |
| External connection | Removable type screw terminal block (M3) | |
| Circuit diagram | ![]() |
|
| Item | Specification | ||
|---|---|---|---|
| EH-D16ET EH-D8ET EH-D8EDT |
EH-D16ETPS EH-D8ETPS EH-D8EDTPS |
||
| Y100 output specifications | sink type | source type (ESCP) | |
| Rated load voltage | 24 V DC | ||
| Minimum switching current | 1mA | 10mA | |
| Leak current | 0.1mA (max) | ||
| Maximum load current |
1 circuit | 0.5 A | 0.7 A |
| 1 common | 3 A | 3 A | |
| Output response time |
OFF → ON | 0.5 ms (max) 24 V DC 0.2 A | |
| ON → OFF | 0.5 ms (max) 24 V DC 0.2 A | ||
| Surge removing circuit | None | ||
| Fuse | None | ||
| Insulation system | Photocoupler insulation | ||
| Output display | LED (green) | ||
| Externally supplied power (for the V terminal power supply) |
12 to 30V DC | ||
| Insulation | 1500V or more (external-internal) 500V or more (external-external) |
||
| Output voltage drop | 0.3 V DC (max) | ||
| External connection | Removable type screw terminal block (M3) | ||
| Circuit diagram | ![]() |
||
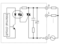
| Item | Specification | |
|---|---|---|
| Rated voltage | 100 / 240V AC | |
| Output voltage | 100 -15 % to 240 +10 % V AC 50 -5 % to 60 +5 % Hz |
|
| Maximum load current | 1 circuit | 0.5 A / 240V AC |
| 1 common | 2 A | |
| Minimum load current | 100mA | |
| Maximum leakage current | 1.8mA 115 V AC (max) 3.5mA 230V AC (max) |
|
| Maximum inrush current | 5 A (at 1 cycle or less)/point 10 A (at 1 cycle or less)/common |
|
| Maximum delay time | OFF → ON | 1 ms or less |
| ON → OFF | 1 ms + 1/2 cycle or less | |
| Insulation system | Phototriac insulation | |
| Fuse *1 | Used | |
| Surge removing circuit | Sunabar circuit + varistor | |
| Voltage drop | 1.5 V RMS (max) | |
| Insulation | 1500V or more (external-internal) 500V or more (external-external) |
|
| External connection | Removable terminal block (M3) | |
| Circuit diagram | ![]() |
|