| Item | Specification | |
|---|---|---|
| Rated load voltage | 5 to 250V AC, 5 to 30V DC | |
| Minimum switching current | 1mA | |
| Leak current | 15mA or less | |
| Maximum load current | 1 circuit | 2 A (24 V DC, 240V AC) |
| 1 common | 5A | |
| Output response time | OFF → ON | 15 ms (max) |
| ON → OFF | 15 ms (max) | |
| Surge removing circuit | None | |
| Fuse | None | |
| Insulation system | Relay insulation | |
| Output display | LED (green) | |
| Externally supplied power (for driving the relays) |
Not necessary | |
| Contact life | 20,000,000 times (mechanical) 200,000 times (electrical: 2 A) |
|
| Insulation | 1500V or more (external-internal) 500V or more (external-external) |
|
| External connection | Removable type screw terminal block (M3) | |
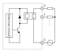
| Circuit diagram | ![]() |
|
| Item | Specification | |
|---|---|---|
| Rated load voltage | 5 to 250V AC, 5 to 30V DC | |
| Minimum switching current | 1mA | |
| Leak current | 15mA or less | |
| Maximum load current | 1 circuit | 2 A (24 V DC, 240V AC) |
| 1 common | 5A | |
| Output response time | OFF → ON | 15 ms (max) |
| ON → OFF | 15 ms (max) | |
| Surge removing circuit | None | |
| Fuse | None | |
| Insulation system | Relay insulation | |
| Output display | LED (green) | |
| Externally supplied power (for driving the relays) |
Not necessary | |
| Contact life | 20,000,000 times (mechanical) 200,000 times (electrical: 1.5 A) |
|
| Insulation | 1500V or more (external-internal) 500V or more (external-external) |
|
| External connection | Removable type screw terminal block (M3) | |
| Circuit diagram | ![]() |
|