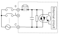
| Item | Specification | |
|---|---|---|
| Input voltage | 24 V DC | |
| Allowable input voltage range | 0 to 30V DC | |
| Input impedance | Approx. 2.8kΩ | |
| Input current | 7.5mA typical | |
| Operating voltage | ON voltage | 15 V DC (min) / 4.5mA (max) |
| OFF voltage | 5 V DC (max) / 1.5mA (max) | |
| Input lag | OFF → ON | 0.5 to 20 ms (configurable) |
| ON → OFF | 0.5 to 20 ms (configurable) | |
| Polarity | None | |
| Insulation system | Photocoupler insulation | |
| Input display | LED (green) | |
| External connection | 10-point type: fixed type terminal block 14-, 23-, 28-point types: Removable type screw terminal block (M3) |
|
| Circuit diagram | ![]() |
|
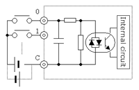
| Item | Specification | |
|---|---|---|
| Input voltage | 24 V DC | |
| Allowable input voltage range | 0 to 30V DC | |
| Input impedance | Approx. 2.8kO | |
| Input current | 7.5mA typical | |
| Operating voltage | ON voltage | 15 V DC (min) / 4.5mA (max) |
| OFF voltage | 5 V DC (max) / 1.5mA (max) | |
| Input lag | OFF → ON | 0.5 ms or less |
| ON → OFF | 0.5 ms or less | |
| Polarity | None | |
| Insulation system | Photocoupler insulation | |
| Input display | LED (green) | |
| External connection | 10-point type: fixed type terminal block 14-, 23-, 28-point types: Removable type screw terminal block (M3) |
|
| Circuit diagram | ![]() |
|
| Item | Specification | ||
|---|---|---|---|
| EH-D8EDR EH-D8EDTPS EH-D8EDT |
EH-D8ED EH-D16ED |
||
| Input voltage | 24V DC | ||
| Allowable input voltage range | 0 to 30V DC | ||
| Input impedance | Approx. 2.8kΩ | Approx. 4.8kΩ | |
| Input current | 7.5mA typical | 4.8mA typical | |
| Operating voltage | ON voltage | 15 V DC (min) / 4.5mA (max) |
15 V DC (min) / 3.0mA (max) |
| OFF voltage | 5 V DC (max) / 1.5mA (max) | ||
| Input lag | OFF → ON | 4ms (TYP) | 2ms (TYP) |
| ON → OFF | 4ms (TYP) | 2ms (TYP) | |
| Polarity | None | ||
| Insulation system | Photocoupler insulation | ||
| Input display | LED (green) | ||
| External connection | Removable type screw terminal block (M3) | ||
| Circuit diagram | ![]() |
||
| Item | Specification | |
|---|---|---|
| Input voltage | 100 to 120V AC | |
| Allowable input voltage range | 85 to 132 V AC 50 -5 % to 60 +5 % Hz |
|
| Input impedance | Approx. 14.6 kΩ (60Hz) Approx. 17.6 kΩ (50Hz) |
|
| Input current | Approx. 7mA RMS (100V AC/60Hz) |
|
| Operating voltage | ON voltage | 80V AC (min) 4.5mA |
| OFF voltage | 30V AC (max) 2mA | |
| Input lag | OFF → ON | 25 ms (max) *1 |
| ON → OFF | 30 ms (max) *1 | |
| Polarity | None | |
| Insulation system | Photocoupler insulation | |
| Input display | LED (green) | |
| External connection | 14-, 28-point types: Removable type screw terminal block (M3) | |
| Circuit diagram | ![]() |
|